产品详细
产品名称: HPT1610无线温度(铂电阻)采集模块
发布日期: 2016-07-05
点击数: 2603
二维码:
简述:
产品详情
特点
● 数据通讯采用主从方式
● 多路多种信号输入
● 符合2.4GHz ZigBee 协议
● 性能稳定,产品寿命长
● 传输距离远,抗干扰能力强
性能参数@ 25℃
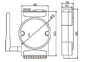
典型尺寸

订购指南
● 数据通讯采用主从方式
● 多路多种信号输入
● 符合2.4GHz ZigBee 协议
● 性能稳定,产品寿命长
● 传输距离远,抗干扰能力强
性能参数@ 25℃
|
● 供电: ● 工作频段: ● 网络: ● 通讯距离: ● 通讯速率: ● 信道: ● 网络ID: ● 波特率: ● 采集周期: ● 数据传输格式: ● 采集准确度: ● 功耗: ● 安装方式: ● 工作环境: ● 存储条件: ● 外壳: ● 产品重量: ● 零漂移: ● 输入类型: ● 输入范围: ● 输入通道数量: ● 浪涌保护: |
DC 12V(9V~28V) 2.4GHz 支持Zigbee 和Zigbee PRO 协议 ≥ 800米(空旷距离) 250Kbps(最大) 16 个(0~F) 0x0000~0xFFFE 38400bps 1 次/s 主从方式 ±0.5℃ 最大≤50mA(DC 12V 供电时) 导轨式安装 -20℃~60℃;5%RH~95%RH -20℃~60℃;5%RH~95%RH ABS 蓝色71mm x 26mm x 103mm(不含天线部分) ≤150g ±3uA/℃ 铂电阻PT100 -25~300℃ 4 路 有 |
典型尺寸

订购指南
|
产品型号 |
量程(℃) |
通讯距离(米) |
其他 |
|
HPT1610 |
|
|
|
|
订货举例:HPT1610―0~100℃-300 |
|||


